موتورهای تجهیزات دنده AC القایی تامین‌کنندگان

  • موتورهای Gear Ac القایی 15w
  • موتورهای Gear Ac القایی 15w
موتورهای تجهیزات دنده AC القایی

موتورهای Gear Ac القایی 15w

اندازه ولتاژ: 15W ، 70mmx70mm

ولتاژ عملیاتی: 1PH 110V-3PH 220V/

ظرفیت خازن: 1.2-6UF

سرعت مبتنی بر سرعت ناهمزمان موتور الکتریکی (50Hz: 1200R/دقیقه ، 60Hz: 1450R در دقیقه) $ $ $ است

  • موتورهای Gear Ac القایی 15w
  • موتورهای Gear Ac القایی 15w
کاربرد مساحت
ما یک شرکت فناوری پیشرفته هستیم که به تولید و فروش موتورهای کاهنده دنده AC، موتورهای کاهنده کوچک، کاهنده‌های سیاره‌ای مخصوص سروو موتور، موتورهای بدون جاروبک و بدون جاروبک DC و سایر محصولات اختصاص داده شده است.
  • مرتب سازی

  • روبات های خودکار

  • برش لیزر

  • دروازه کنترل دسترسی

  • نیروگاه فتوولتائیک

  • دستگاه های پزشکی

  • AGV

توضیحات محصول

این موتور دنده AC القایی 15W یک موتور کوچک کارآمد ، جمع و جور و قابل اعتماد برای طیف گسترده ای از کاربردهای صنعتی و خانگی است. قاب موتور 70mm x 70mm باعث می شود نصب در محیط های محدود شده فضا آسان شود. این می تواند در ولتاژهای مختلف از تک فاز 110 ولت تا سه فاز 220V استفاده شود و برای پاسخگویی به نیازهای سیستم های مختلف قدرت بسیار سازگار است.

مجهز به خازن بین 1.2 تا 6UF برای اطمینان از عملکرد صاف و کارآمد موتور. سرعت آن بر اساس سرعت ناهمزمان موتور است که 1200 چرخش در دقیقه (R/دقیقه) در 50Hz و 1450 چرخش در دقیقه (R/min) با سرعت 60Hz است که می تواند سرعت مورد نیاز را در محیط های مختلف کار برآورده کند.

با توجه به راندمان و قابلیت اطمینان بالا ، این موتور برای انواع تجهیزات و سناریوهای کاربردی از جمله تجهیزات اتوماسیون ، کمربندهای نقاله ، ماشین آلات بسته بندی و تجهیزات چاپی مناسب است. این کشور هنوز هم می تواند قدرت کافی را تحت مصرف کم مصرف تأمین کند و یک انتخاب درایو ایده آل برای تجهیزات صرفه جویی در انرژی است. استفاده از مواد با کیفیت بالا و فرآیندهای تولید دقیق باعث دوام و پایداری حرکتی ، کاهش هزینه های نگهداری و خرابی می شود. $ $ $

مشخصات موتور القایی

مدل · نوع
نوع سیم سرب
خروجی
قدرت
حرف
ولتاژ
حرفهای
بسامد
هرتز
جاری
بوها
شروع
گشتاور
MN.M
دارای امتیاز
گشتاور
MN.M
دارای امتیاز
سرعت
r/min
خازن
μF
شافت پین شافت گرد
3ik15gn-a 3ik15a-a 15 1PH
100
50 0.35 90 125 1200 6.0
60 0.33 85 105 1450
3ik15gn-e 3ik15a-e 15 1PH
110
60 0.30 65 105 1450 5.0
1PH
120
0.32
3IK15GN-C 3IK15A-C 15 1PH
220
50 0.18 90 125 1200 1.2
1PH
230
0.20
3ik15gn-h 3ik15a-h 15 1PH
220
60 0.16 65 105 1450
1PH
230
0.15 70
3ik15gn-s 3IK15a-s 15 3ph $ $ $
220
50 0.14 220 125 1200
60 0.12 180 105 1450

مشخصات موتور Reuersibe

مدل · نوع
نوع سیم سرب
خروجی
قدرت
حرف
ولتاژ
حرفهای
بسامد
هرتز
جاری
بوها
شروع
گشتاور
MN.M
دارای امتیاز
گشتاور
MN.M
دارای امتیاز
سرعت
r/min
خازن
μF
شافت پین شافت گرد
3rk15gn-a 3rk15a-a 15 1ph 100 50 0.40 110 125 1200 7.0
60 0.56 105 105 1450
3rk15gn-e 3rk15a-e 15 1ph110 60 0.43 85 105 1450 6.0
1ph120 0.42
3RK15GN-C 3RK15A-C 15 1ph220 50 0.23 110 125 1200 1.5
1ph230 $ $ $
3rk15gn-h 3rk15a-h 15 1ph220 60 0.20 85 105 1450 1.5
1ph230 90

مشخصات موتور برگشت پذیر

مدل · نوع
نوع سیم سرب
خروجی
قدرت
حرف
ولتاژ
حرفهای
بسامد
هرتز
سرعت
کنترل کردن
دامنه
r/min
گشتاور کمک هزینه شروع
گشتاور
MN.M
جاری
بوها
خازن
μF
شافت پین شافت گرد 1200r/دقیقه
MN.M
90r/دقیقه
MN.M
3ik15rgn-a 3ik15ra-a 15 1PH
100
50 90 ~ 1350 120 35 55 0.35 6.0
60 90 ~ 1650 0.33
3ik15rgn-e 3IK15BA-f 15 1PH
110
60 90 ~ 1650 125 35 55 0.30 5.0
1PH
120
0.32
3IK15RGN-C 3IK15RA-C 15 1PH
220
50 90 ~ 1350 120 35 54 0.18 1.2
1PH
230
0.20
3ik15rgn-h 3IK15RA-H 15 1PH
220
60 90 ~ 1650 85 35 52 0.16 1.2
1ph $ $ $
230
105 55 0.15

میز چرخ دنده ای

چرخ دنده و جعبه میانه را می توان به طور جداگانه فروخت.

نسبت دنده را در کادر (□) در نام مدل وارد کنید.

پس زمینه رنگی □ همان جهت چرخشی موتور را نشان می دهد در حالی که جهت چرخش دیگران برعکس است.

واحد گشتاور کمک هزینه: وارونه (n.m)/belowside (kgf.cm)

نوع
موتوری/دنده
نسبت دنده 3 3.6 5 6 7.5 9 12.5 15 18 25 30 36 50 60 75 90 100 120 150 180 200
سرعت r/min 50 هرتز 500 417 300 250 200 166 120 100 83 60 50 41 30 25 20 16 15 12.5 10 8.3 7.5
60 هرتز 600 500 360 300 240 200 144 120 100 72 60 50 36 30 24 20 18 15 12 10 9
3ik15gn-a
3ik15gn-e
3IK15GN-C
3ik15gn-h
3ik15gn-s
3GN □ k 50 هرتز 0.30 0.36 0.51 0.61 0.76 0.91 1.3 1.5 1.8 2.3 2.7 3.3 4.1 5 5 5 5 5 5 5 5
3.06 3.67 5.20 6.22 7.75 9.28 13.2 15.3 18.3 23.4 27.5 33.7 41.8 50 50 50 50 50 50 50 50
60 هرتز $ $ $ 0.26 0.31 0.43 0.51 0.64 0.77 1.1 1.3 1.5 1.9 2.3 2.8 3.5 4.2 5 5 5 5 5 5 5
2.65 3.16 4.38 5.20 6.53 7.85 11.2 13.2 15.3 19.3 23.4 28.5 35.7 42.8 50 50 50 50 50 50 50

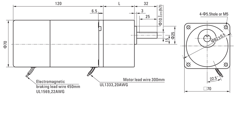
ابعاد (واحد میلی متر)

پیچ های نصب شده با چرخ دنده گنجانده شده است.

نوع سیم کشی سرب (موتور القایی/برگشت پذیر)

وزن: موتور: 1.1 کیلوگرم در دنده: 0.5 کیلوگرم

بخش شافت از نوع شفت گرد

به استثنای وزن و شکل موتور بخش شفت همان نوع نوع شفت پین است. $ $ $

نوع سیم کشی سرب (موتورهای ترمز)

وزن: موتور: 1.47 کیلوگرم در دنده: 0.5 کیلوگرم

چرخ دنده

می توان آن را به نوع شافت GN Pinion وصل کرد.

وزن: 0.3 کیلوگرم $ $ $

نوع سیم کشی سرب (موتور کنترل سرعت)

وزن: موتور: 1.2 کیلوگرم در دنده: 0.5 کیلوگرم

مدل دنده نسبت دنده L1
3GN □ k 3 ~ 18 32
25 ~ 200 42

نسبت دنده را در کادر (□) در نام مدل $ $ $ وارد کنید

+ پارامترهای دقیق محصول را درک کنید
تماس با ما
  • Upload

درباره ما
شرکت تولید هوشمند ژجیانگ سایا ، آموزشی ویبولیتین
Zhejiang Saiya Intelligent Manufacturing Co., Ltd. در سال ۲۰۰۹ با ۱۵ سال سابقه در صنعت تأسیس شد و یک شرکت با فناوری پیشرفته است که در تولید و فروش موتورهای دنده‌ای میکرو AC، موتورهای دنده‌ای AC کوچک، موتورهای دنده‌ای DC براشلس، موتورهای دنده‌ای DC بدون براش BLDC، گیربکس سیاره‌ای دقیق و غلتک موتور و غیره تخصص دارد. ما ... عمده فروشی چین موتورهای Gear Ac القایی 15w تامین‌کنندگان و نصب شده/ODM موتورهای Gear Ac القایی 15w تولیدکنندگان, موتورها و گیربکس‌های سایا به طور گسترده در ربات‌های صنعتی، لجستیک هوشمند، ماشین‌های انرژی نو، ربات‌های AGV و سایر زمینه‌های پیشرفته مورد استفاده قرار می‌گیرند. علاوه بر این، آنها نقش‌های حیاتی در فرآوری مواد غذایی، بسته‌بندی، نساجی، الکترونیک، تجهیزات پزشکی و ماشین‌آلات تخصصی ایفا می‌کنند و راه‌حل‌های مقرون‌به‌صرفه و متمایزی را برای صنایع مختلف ارائه می‌دهند. برای افزایش مزایای خود در تمایز و مقرون‌به‌صرفه بودن، ما شرکت بازرگانی خود، شرکت تجهیزات انتقال هانگژو سایا، با مسئولیت محدود، واقع در هانگژو، ژجیانگ، که در نزدیکی بنادر شانگهای و نینگبو قرار دارد، را داریم تا تجارت داخلی و خارجی را مدیریت کنیم، همراه با فروش و توزیع مستقیم، توزیع جهانی و پشتیبانی مشتری را تضمین می‌کند و راه‌حل‌های اقتصادی و قابل اعتماد سطح بالا را برای همه مشتریان خود ارائه می‌دهد.

فرهنگ سازمانی

معتبر، قابل اعتماد
کیفیت به طور طبیعی برجسته است.

ارزش‌های اصلی: توسعه خود و مراقبت از دیگران.

چشم انداز:در زمینه انتقال هوشمند به یک متخصص خدمات تبدیل شوید.

ماموریت ما:ارائه خدمات با کیفیت بالا و خلق ارزش برای مشتریان.

فلسفه خدمات:تلاش برای سعادت مادی و معنوی همه کارکنان و کمک به پیشرفت و توسعه جامعه بشری.

  • 2009

    تأسیس
  • 80+

    کارکنان
  • 5+

    خط تولید
خبر