موتور دنده کوچک AC تامین‌کنندگان

  • سری 5500W
  • سری 5500W
  • سری 5500W
  • سری 5500W
موتور دنده کوچک AC

سری 5500W

قدرت موتور: نصب افقی یا عمودی 5500W

فاز: تک فاز / سه فاز

نسبت دنده: 3-1800k

انتخاب موتور: موتور 3 فاز 220V-240V/380V-415V ، 50Hz/60Hz ؛ موتور 1 فاز ، 220 ولت ، 50Hz/60Hz ؛ موتور 1 فاز ، 110 ولت ، 50Hz / 60Hz

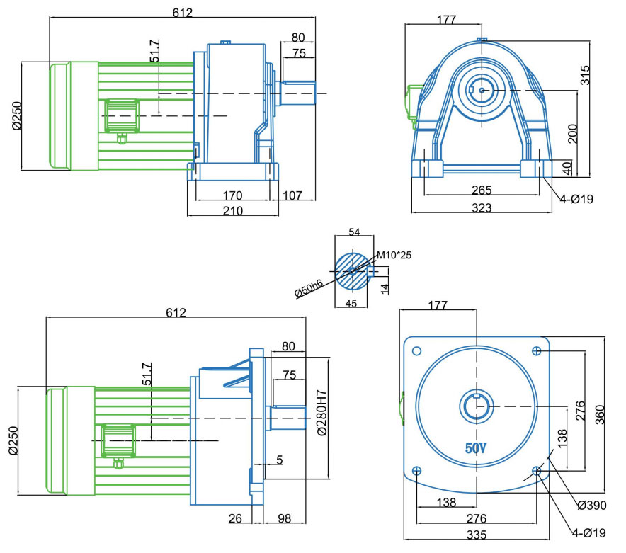
قطر شافت خروجی: φ50mm $ $ $

  • سری 5500W
  • سری 5500W
  • سری 5500W
  • سری 5500W
کاربرد مساحت
ما یک شرکت فناوری پیشرفته هستیم که به تولید و فروش موتورهای کاهنده دنده AC، موتورهای کاهنده کوچک، کاهنده‌های سیاره‌ای مخصوص سروو موتور، موتورهای بدون جاروبک و بدون جاروبک DC و سایر محصولات اختصاص داده شده است.
  • مرتب سازی

  • روبات های خودکار

  • برش لیزر

  • دروازه کنترل دسترسی

  • نیروگاه فتوولتائیک

  • دستگاه های پزشکی

  • AGV

توضیحات محصول

CH50/CV50-5500W - (جعبه استاندارد 1: 10 ~ 120 نسبت) نقاشی بعدی $ $ $

پارامتر ماشین آلات الکتریکی

پارامتر ماشین آلات الکتریکی

قدرت (kW)

نوع

ولتاژ (V)

فرکانس (هرتز)

جریان دارای رتبه (A)

سرعت چرخش امتیاز (RMP)

خازن ها (μج)

طبقه بندی عایق

سیستم محافظ

5.5 کیلو وات

7.5HP

سه فاز

380 ولت

50 هرتز

15.2a

1420RMP

/

F

IP54 $ $ $

جدول گشتاور 5500W- (نسبت دیجیتال 1: 10-120)

نسبت gera

10

15

20

25

30

40

50

60

70

80

90

100

120

140

160

180

200

300

1200

1800

خروجی R.P.M.

50 هرتز

150

100

75

60

50

37

30

25

21.4

18.8

16.7

15

12.5

10.7

9.4

8.4

7.5

5

1.25

0.83

60 هرتز

180

120

90

72

60

45

36

30

25.7

22.5

20

18

15

12.9

11.3

10

9

6

1.5

1

گشتاور خروجی kg/m

50 هرتز

31.4

47.2

62.9

78.6

94.3

125.8

157.2

188.6

220

251.5

283

314.4

60 هرتز

25.8

38.7

51.6

64.4

77.3

103.1

128.9

154.7

180.4

206.2

232

257.8

سرعت در جدول بر اساس سرعت امتیاز موتور در 50Hz/60Hz ، 1420r.min/1732r.min محاسبه می شود

سرعت واقعی با اندازه بار کمی متفاوت خواهد بود ، با دامنه تنوع حدود 5 ٪. $ $ $

+ پارامترهای دقیق محصول را درک کنید
تماس با ما
  • Upload

درباره ما
شرکت تولید هوشمند ژجیانگ سایا ، آموزشی ویبولیتین
Zhejiang Saiya Intelligent Manufacturing Co., Ltd. در سال ۲۰۰۹ با ۱۵ سال سابقه در صنعت تأسیس شد و یک شرکت با فناوری پیشرفته است که در تولید و فروش موتورهای دنده‌ای میکرو AC، موتورهای دنده‌ای AC کوچک، موتورهای دنده‌ای DC براشلس، موتورهای دنده‌ای DC بدون براش BLDC، گیربکس سیاره‌ای دقیق و غلتک موتور و غیره تخصص دارد. ما ... عمده فروشی چین سری 5500W تامین‌کنندگان و نصب شده/ODM سری 5500W تولیدکنندگان, موتورها و گیربکس‌های سایا به طور گسترده در ربات‌های صنعتی، لجستیک هوشمند، ماشین‌های انرژی نو، ربات‌های AGV و سایر زمینه‌های پیشرفته مورد استفاده قرار می‌گیرند. علاوه بر این، آنها نقش‌های حیاتی در فرآوری مواد غذایی، بسته‌بندی، نساجی، الکترونیک، تجهیزات پزشکی و ماشین‌آلات تخصصی ایفا می‌کنند و راه‌حل‌های مقرون‌به‌صرفه و متمایزی را برای صنایع مختلف ارائه می‌دهند. برای افزایش مزایای خود در تمایز و مقرون‌به‌صرفه بودن، ما شرکت بازرگانی خود، شرکت تجهیزات انتقال هانگژو سایا، با مسئولیت محدود، واقع در هانگژو، ژجیانگ، که در نزدیکی بنادر شانگهای و نینگبو قرار دارد، را داریم تا تجارت داخلی و خارجی را مدیریت کنیم، همراه با فروش و توزیع مستقیم، توزیع جهانی و پشتیبانی مشتری را تضمین می‌کند و راه‌حل‌های اقتصادی و قابل اعتماد سطح بالا را برای همه مشتریان خود ارائه می‌دهد.

فرهنگ سازمانی

معتبر، قابل اعتماد
کیفیت به طور طبیعی برجسته است.

ارزش‌های اصلی: توسعه خود و مراقبت از دیگران.

چشم انداز:در زمینه انتقال هوشمند به یک متخصص خدمات تبدیل شوید.

ماموریت ما:ارائه خدمات با کیفیت بالا و خلق ارزش برای مشتریان.

فلسفه خدمات:تلاش برای سعادت مادی و معنوی همه کارکنان و کمک به پیشرفت و توسعه جامعه بشری.

  • 2009

    تأسیس
  • 80+

    کارکنان
  • 5+

    خط تولید
خبر