جعبه دنده های سری SPE ، محدوده اندازه فلنج با مدل های 40 ، 60 ، 80 ، 120 و 160 مدل ، بر...
ابعاد سری 60SPF
ابعاد 200 وات
| مجموع طول | 1 مرحله | دو مرحله | 3 مرحله |
| سعادت | 117.1 | 135.1 | 138.5 |
ابعاد 400W
| مجموع طول | 1 مرحله | دو مرحله | 3 مرحله |
| سعادت | 117.1 | 135.1 | 138.5 |
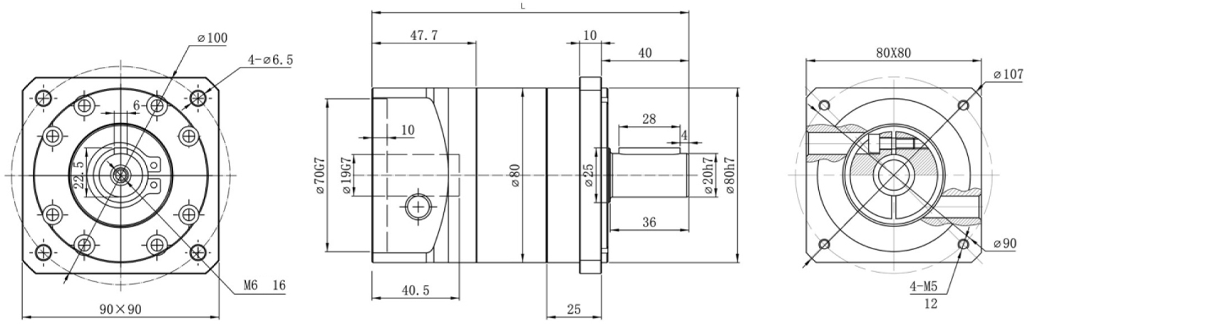
ابعاد 750W (انتخاب دوم)
| مجموع طول | 1 مرحله | دو مرحله |
| سعادت | 123.5 | 136.5 |
ابعاد سری 80SPF
ابعاد 400W
| مجموع طول | 1 مرحله | دو مرحله | 3 مرحله |
| سعادت | 136.5 | 154.5 | 172 |
ابعاد 750W
| مجموع طول | 1 مرحله | دو مرحله | 3 مرحله |
| سعادت | 145 | 166.5 | 179 |
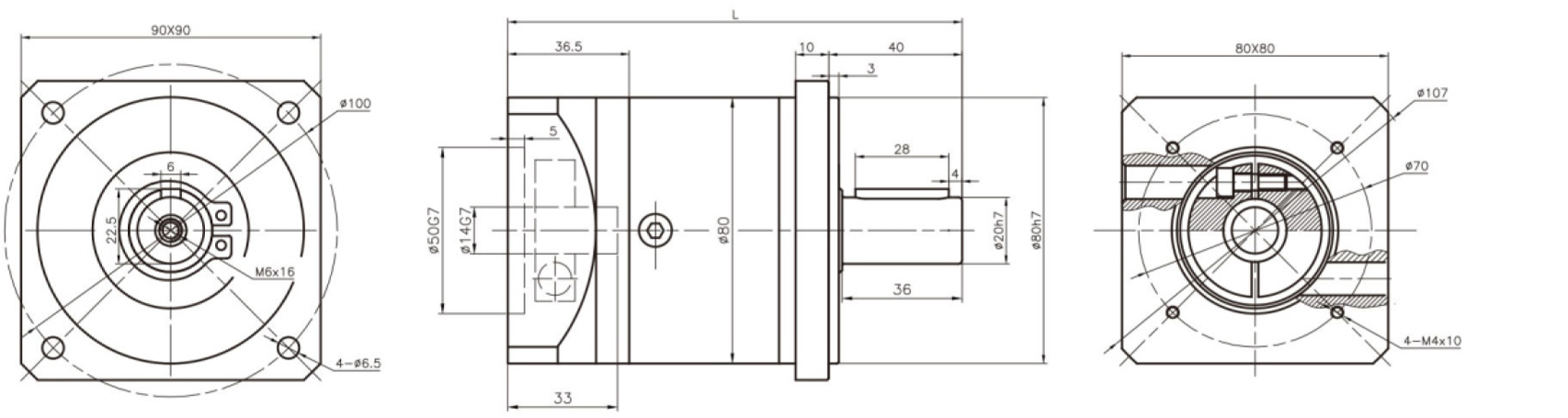
ابعاد 1000W (انتخاب دوم)
| مجموع طول | 1 مرحله | دو مرحله |
| l $ $ $ | 163.5 | 181.5 |


زبان 












